
湖北襄陽忠東機電設備有限公司
手機:15871070288 彭經理
Q Q:61102568
手機:13597504406 秦經理
Q Q: 2448782675
電話:0710-2350995
傳真:0710-3816559
郵箱:xyzdjd@126.com 或 hbzdjd@126.com
網址:www.rscwfoo.cn
地址:中國湖北襄陽市樊城區(qū)柿鋪正英工業(yè)園
ZDR繞線電機液體電阻起動柜

ZDR系列繞線電機液體電阻起動柜
俗稱(水阻柜、液阻柜、液體變阻器柜、液阻起動柜、水電阻啟動柜、液態(tài)軟啟動柜、液阻軟啟動柜)
一、概述
ZDR系列液體電阻起動器可廣泛用于水泥、化工、鋼鐵、冶金、礦山等.行業(yè)90-lOOOOKW繞線式異步電機。
二、工作原理
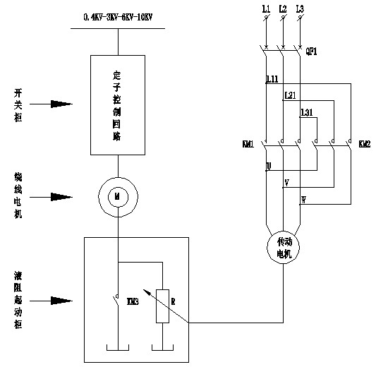
ZDR系列液體電阻起動器是采用介質的水溶液作為電阻,在設計的液阻箱中引入極板作電極串入電機轉子回落中,電機起動時,由一小功率伺服電機帶動極板移動來改變極板的相對位置,使(串入轉子回路時)液體電阻由大到小作無極變化,從而使電機低電流平滑起動。
三、環(huán)境條件
周圍空氣溫度: (-40-+50)℃
相對濕度:≤90%
海撥高度:≤ZOOOrn
安裝場所無顯著搖動和沖擊振動;無腐蝕性氣體;安裝傾斜度≤5℃
電源要求:三相四線交流380V±10%,50HZ
四、技術參數
起動電流:lq≤1.3le
起動時間:10-60S,預整定,現場可調;
起動次數:連續(xù)起動5-10次;
電液正常工作溫度:0~70℃;
柜體防護等級:lP20 lP30;
五、性能特點
起動性能頻敏變阻器、油浸變阻器、鑄鐵電阻等起動器;
軟起動,起動電流小,約為電機額定電流的1.3倍;
可連續(xù)起動5-1O次;
起動過程平滑,對設備無機械應力沖擊,可延長機械設備;
可低電壓起動,電網電壓低于電機額定電壓的10%時,可順利起動;
適用性廣,可適用負載狀況下繞線式電機軟起動,特別適用于重載起動;
具有起動超時、失壓、超行程、超溫等多重保護功能;
寒冷地區(qū)帶自動加熱功能;
結構簡單、可靠,安裝、維護方便。
六、型號說明
轉子電流為起動器選型的主要依據,功率為起動器的選型的輔助依據。ZDR系列繞線電機液體電阻起動器一般參數如下表:
注:因現場環(huán)境差別及用戶需求各異,實際參數可能與上述參數有所差異。
七、一次原理圖
八、訂貨須知
提供繞線電機型號、額定功率、定子電流、定子電壓、轉子電流、轉子電壓;
提供電機拖動的負載特征(工況說明);
是否成套訂貨,成套訂貨包括:高(低)壓一次柜、液體電阻起動柜;
注明高壓一次柜柜型(GG1A、XGN等);
其它要求,請在訂貨時與公司申明或協(xié)商。
襄陽忠東機電設備有限公司 ?2014-2018 XYZDJD CHINA ALL RIGHTS RESERVED 站長統(tǒng)計